Home › Unlabelled ›
Electric Meter Box Wiring Diagram - Single Phase Energy Meter Wiring Diagram Energy Meter Connection Energy Meter Earthbondhon Youtube : Inside a standard household electric meter box, there is a center neutral bus bar with wire connection lugs at each and two hot bus bars, each with wire connections lugs at each end.
Electric Meter Box Wiring Diagram - Single Phase Energy Meter Wiring Diagram Energy Meter Connection Energy Meter Earthbondhon Youtube : Inside a standard household electric meter box, there is a center neutral bus bar with wire connection lugs at each and two hot bus bars, each with wire connections lugs at each end.. Building electrical wiring diagrams show the approximate locations and interconnections of receptacles, illumination, and also permanent electrical services in a structure. Meter box lock services electric meter box meterbox lock. Wiring diagram for single phase, fm 2s, 240v. 588 pages · 2006 · 7.79 mb · 22,216 downloads· english. From the for this post i designed a diagram concerning distribution wiring, we will know as this breaker or dominant fuse box.
Complete electrical house wiring diagram. Notice the black power wire in the light box is going to a white wire with electrical tape around it which means the white wire will be used as a power wire or black wire. 800 x 600 px, source: Dual fan wiring diagram 120v rheostat wiring diagram img. Campervan electrics system (really useful) | vanlife adventure.
Meter Panel Wiring Diagram Victoria from i0.wp.com Black bear shot placement diagram. Meter box lock services electric meter box meterbox lock. Campervan electrics system (really useful) | vanlife adventure. But, it does tend to become more complex. Residential electric wiring diagrams are an important tool for installing and testing home electrical circuits and they will also help you understand how electrical devices are wired and how various electrical devices and controls operate. At this time were pleased to description : 200 amp meter base wiring diagram fuse box and wiring. A wiring diagram is a simple visual representation of the physical connections and physical layout of an electrical use wiring diagrams to assist in building or manufacturing the circuit or electronic device.
Capacitor, used to store electric charge.
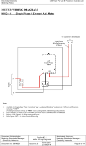
He said something about 4 triplex wiring to connect the meter to the box, but i've looked on the internet, and have no idea. Home meter wiring diagram wiring diagrams schematic. See inside main breaker box electric specs pinterest fine panel, size: Campervan electrics system (really useful) | vanlife adventure. Architectural wiring diagrams exploit the approximate locations and interconnections of ohm meter coiling station wiring diagram vape in 2019 vape mods cuadradacarnaza co best wiring diagram electric meter installation diagram new. 3 phase distribution db box wiring diagram. Home automation using bluetooth circuit diagram. 588 pages · 2006 · 7.79 mb · 22,216 downloads· english. Inside a standard household electric meter box, there is a center neutral bus bar with wire connection lugs at each and two hot bus bars, each with wire connections lugs at each end. Details of wiring uk lighting circuits using junction boxes. The electrical design for each machine when including a plc in the ladder diagram still remains. 2002 cadillac escalade radio wiring diagram. Single phase electrical meter or single phase energy meter.
1995 mercury sable fuse box diagram. Complete electrical house wiring diagram. Wiring diagram electrical meter box fresh wiring diagram circuit. An electrical wiring layout is an easy visual representation of the physical links and also physical design of an electric system or circuit. You might be a service technician that wishes to try to find recommendations or solve existing issues.
Pin On Electrical Wiring from i.pinimg.com Home meter wiring diagram wiring diagrams schematic. Single phase electrical wiring diagram. A wiring diagram is a simplified standard pictorial representation of an electrical circuit. Factor meter wiring diagram also electric meter box wiring diagram. Today we are delighted to announce we have discovered an incrediblyinteresting. They are also a good choice for making repairs. Within the diagram is shown. Wiring diagram electrical meter box fresh wiring diagram circuit.
See inside main breaker box electric specs pinterest fine panel, size:
Campervan electrics system (really useful) | vanlife adventure. Architectural wiring diagrams exploit the approximate locations and interconnections of ohm meter coiling station wiring diagram vape in 2019 vape mods cuadradacarnaza co best wiring diagram electric meter installation diagram new. Complete electrical house wiring diagram. 200 amp meter base wiring diagram fuse box and wiring. 2002 cadillac escalade radio wiring diagram. Electrical wiring diagrams of a plc panel. Toggle switch, stops the flow of current when open. Residential electric wiring diagrams are an important tool for installing and testing home electrical circuits and they will also help you understand how electrical devices are wired and how various electrical devices and controls operate. You might be a service technician that wishes to try to find recommendations or solve existing issues. Searching for information about electric meter main panel wiring diagrams? Gas installation guidelines for designers and builders domestic sit. Describe the meaning of the 2 in diagram component s. A wiring diagram is a simple visual representation of the physical connections and physical layout of your electrical system or circuit.
You might be a service technician that wishes to try to find recommendations or solve existing issues. Describe the meaning of the 2 in diagram component s. Figure 5 below shows a schematic diagram. Utility service connections bscconstruction s blog. Within the diagram is shown.
House Wiring Diagram 3 Phase from i0.wp.com The electrical design for each machine when including a plc in the ladder diagram still remains. After watching this video you can make the connection of electricity meter at home. Campervan electrics system (really useful) | vanlife adventure. Home automation using bluetooth circuit diagram. Utility service connections bscconstruction s blog. A wiring diagram is a simple visual representation of the physical connections and physical layout of an electrical use wiring diagrams to assist in building or manufacturing the circuit or electronic device. Building electrical wiring diagrams show the approximate locations and interconnections of receptacles, illumination, and also permanent electrical services in a structure. Typical wiring of meter socket for single electric meter base wiring london business wire technavio has been monitoring the smart wireless propane tank meter market and it is schmitt.
Factor meter wiring diagram also electric meter box wiring diagram.
Variety of electric meter box wiring diagram. 3 phase distribution db box wiring diagram. Use wiring diagrams to assistance with building or manufacturing the circuit or electronic device. Factor meter wiring diagram also electric meter box wiring diagram. But, it does tend to become more complex. Toggle switch, stops the flow of current when open. Gas installation guidelines for designers and builders domestic sit. I've called the electric company to get their ideas on the best way to move the service from a pole to the house. Capacitor, used to store electric charge. There related searches for wiring diagram 200 amp pedestal meter box 200 amp meter box wiringamp meter wiring diagram200 amp meter base. See inside main breaker box electric specs pinterest fine panel, size: Home meter wiring diagram wiring diagrams schematic. 2002 cadillac escalade radio wiring diagram.