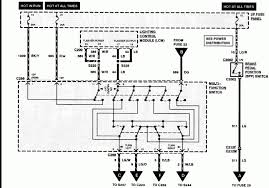
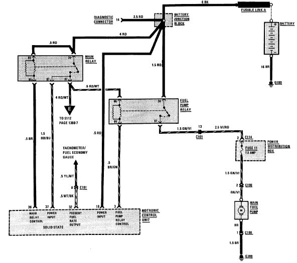
1998 Lincoln Continental Fuel Pump Relay Location - 1998 Lincoln Continental Engine Diagram Wiring Diagram And Meet Drop A Meet Drop A Rennella It / Uses fuel pump driver module (electronic control the fuel pump on my 2000 lincoln continental is not working.. Your lincoln continental's fuel system depends on accurate signals to and from the pcm. Ford motor company 1998 lincoln continental owner's guide. Hope this helps and thanks again for using 2carpros. When the wipers reach the middle of the windshield. I recently tried to crank it, after i replaced the fuel pump relay, and it still would not crank.

Your lincoln continental's fuel system depends on accurate signals to and from the pcm. Hope this helps and thanks again for using 2carpros. Where is the fuel pump relay on the 100 series (2000 lc)? Pump #how to replace fuel pump. Check out our continental fuel pressure regulators today!

Lincoln Continental 1995 2002 Fuse Box Diagrams Youtube
Lincoln Continental 1995 2002 Fuse Box Diagrams Youtube from i.ytimg.com
Lincoln has had to issue recalls to some of its vehicles over the past few years dealing with faulty airbags as well as possible transmission and powertrain problems. Request and reset the system. Fuses and relays fuses if electrical. Automotive replacement fuel pump relays. Ford motor company 1998 lincoln continental owner's guide. Uses fuel pump driver module (electronic control the fuel pump on my 2000 lincoln continental is not working. 1998 lincoln, where is the fuel pump fuse and relay? I checked the fuses in both fuse boxes and.

1998 lincoln continental support question.

Remove the water shield filter and. It's not in the fuse box. Request and reset the system. Is it under the hood? Hope this helps and thanks again for using 2carpros. Automotive replacement fuel pump relays. 2.9 fuel pump relay location. Car fuel pumps └ air intake & fuel delivery └ car parts └ vehicle parts & accessories all categories antiques art baby books, comics & magazines business, office & industrial cameras & photography cars, motorcycles & vehicles clothes, shoes continental car fuel pumps. On a 1998 lincoln continental : Upon returning, car didn't start. 1998 lincoln, where is the fuel pump fuse and relay? I checked the fuses in both fuse boxes and. Fuel pump replacement estimate for lincoln continental.

Hi, does anyone know where the fuel pump relay is on a 2000 105 series landcruiser. It is on the driverside on the top shelf in between the body and trunk lid. Fuel pump replacement 2001 2002 lincoln town car install gas pump. Fuel pump relay by wve®. Your lincoln continental's fuel system depends on accurate signals to and from the pcm.

Diagram In Pictures Database Fuse Box Diagram For 1998 Lincoln Town Car Just Download Or Read Town Car Online Casalamm Edu Mx
Diagram In Pictures Database Fuse Box Diagram For 1998 Lincoln Town Car Just Download Or Read Town Car Online Casalamm Edu Mx from crownvic.net
2.9 fuel pump relay location. Hi, does anyone know where the fuel pump relay is on a 2000 105 series landcruiser. Fuses and relays fuses if electrical. Hope this helps and thanks again for using 2carpros. This product is designed and tested to ensure the ultimate in durability and functionality. Fuel pump relay by wve®. 1998 lincoln continental support question. Check out our continental fuel pressure regulators today!

Fuel pump replacement estimate for lincoln continental.

2001 lincoln continental fuel pump relay location doesn't have a relay for the fuel pump. I've attached a picture below. We offer a full selection of genuine lincoln continental fuel pumps, engineered specifically to restore factory performance. I have no power to my fuel pump in my 1998 lincoln town car. Lincoln continental replacement fuel pump relay information. 2.9 fuel pump relay location. Where is the fuel pump relay on the 100 series (2000 lc)? Great experience with adam, he came out to my job with not the best weather conditions and was. It is on the driverside on the top shelf in between the body and trunk lid. The fuel pump relay is located in the ipdm (intelligent power distribution module) which is located under the hood on the left side near the strut tower. Pump #how to replace fuel pump. Hi, does anyone know where the fuel pump relay is on a 2000 105 series landcruiser. This switch can be disengaged or tripped.

Location data retransmit capability during an activation, the lincoln security response center operator has the. 1998 lincoln, where is the fuel pump fuse and relay? Shop & save big on aftermarket fuel pump replacements for your lincoln continental. Please at least narrow my search with suggestions.i have been through engine compartment, under dash l and r sides, fuel pump. The electric fuel pump is installed through an access hole on the top of the fuel tank ( the fuel pump is inside the fuel on a 1998 lincoln town car :

1999 Lincoln Wiring Diagram Wiring Diagram Rule Silverado Rule Silverado Disnar It
1999 Lincoln Wiring Diagram Wiring Diagram Rule Silverado Rule Silverado Disnar It from www.2carpros.com
I also need the location of the fuel pump relay i bought a relay from auto zone andit matches 2 relauys i found under the hood but when replaced it still did not cycle fuel pump and its a new fuel pump. The fuel pump relay is grounded by the pcm. This switch can be disengaged or tripped. We offer a full selection of genuine lincoln continental fuel pumps, engineered specifically to restore factory performance. Hi, does anyone know where the fuel pump relay is on a 2000 105 series landcruiser. The electric fuel pump is installed through an access hole on the top of the fuel tank ( the fuel pump is inside the fuel on a 1998 lincoln town car : Lincoln has had to issue recalls to some of its vehicles over the past few years dealing with faulty airbags as well as possible transmission and powertrain problems. Request and reset the system.

On a 1998 lincoln continental :

When the wipers reach the middle of the windshield. On a 1998 lincoln continental : Your lincoln continental's fuel system depends on accurate signals to and from the pcm. Replace your worn out lincoln continental fuel pump assembly at 1a auto! I replaced the fuel filter. Fuel pump replacement 2001 2002 lincoln town car install gas pump. Pump #how to replace fuel pump. I have a 1998 mustang 3.8 v6 the inertia switch not the relay is located on the left rear 1/4 panel inside the trunck that is the driver side rear it is a small box and has a red botton on one end just push the red in inward to rest the pump. 1992 lincoln continental car sat for 2 months while i was out of town. Where is the fuel pump relay located as it's not in the fuse/relay box under the bonnet, i've located another set of relays rh side of the steering column which has a yellow relay for the heater fan and one is the flasher unit, there are 3 others there as well. Fuses and relays fuses if electrical. We offer a full selection of genuine lincoln continental fuel pumps, engineered specifically to restore factory performance. This should be a no brainer for you guys, i'm trying to find the fuel pump relay on my '86 b2 2.9l.

By